Alle producten
Products
AC 45 aluminium profielsysteem
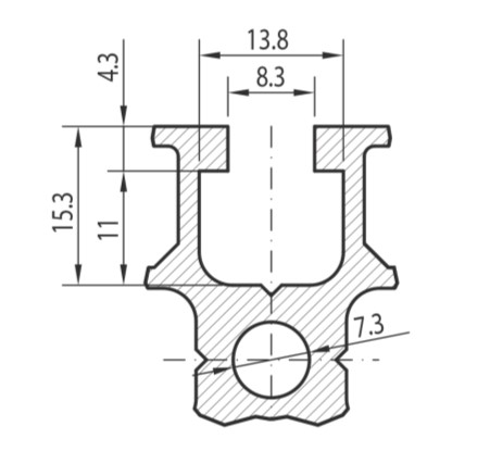
De 45 series hebben standaard 8 mm profielsleuven, een kern van 7,3 mm voor M8 roltappen en omvat profielen van 18,5x32 mm tot 90x180 mm. De 45 series worden het vaakst toegepast en heeft daarom ook het grootste assortiment aan componenten en accessoires. Van bijna ieder profiel en component is een datasheet en step-file beschikbaar. Veel voorkomende toepassingen met aluminium profielsystemen zijn scheidingswanden, veiligheidsafschermingen, werktafels, trolleys, cobot stations, werkstation, productiemiddelen, rekken, productdragers etc. De toepassingen met aluminium profielsystemen zijn uiteenlopend en worden niet enkel in industriële omgevingen gebruikt. Naast de AC 45 series hebben wij ook een AC 30 series en AC 40 series voor kleinere en lichtere toepassingen. Het AC 45 aluminium profielsysteem is compatibel met het MiniTec aluminium profielsysteem.
AC 45 profielen
Aluminium profielsysteem
AC 45 verbindingen
Profielverbinders
AC 45 bevestigingsmaterialen
Bevestigingsmateriaal
AC 45 afdekmaterialen
Afdekkappen
AC 45 voeten/wielen
Stelvoeten - wielen en vloersteunen
AC 45 scharnieren
Scharnieren
AC 45 deurbeslag
Deurbeslag
AC 45 afscherming toebehoren
Toebehoren
AC 45 accessoires
Accessoires