Alle producten
Products
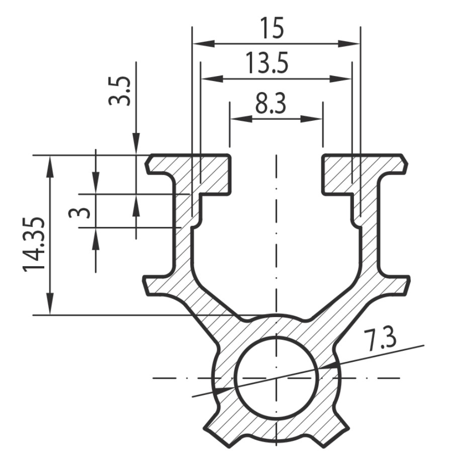
AC 40 aluminium profielsysteem
De 40 series hebben standaard 8 mm profielsleuven, een kern van 7,3 mm voor M8 roltappen en omvat profielen van 40x40 mm tot 80x120 mm. De 40 series zijn een goed alternatief als men bekend is met aluminium profielsystemen met dezelfde afmetingen. Van bijna ieder profiel en component is een datasheet en step-file beschikbaar. Veel voorkomende toepassingen met 40 AC aluminium profielsystemen zijn frames, rekken, trolleys, productiemiddelen etc. De toepassingen met aluminium profielsystemen zijn uiteenlopend en worden niet enkel in industriële omgevingen gebruikt. Naast de AC 40 series hebben wij ook een AC 45 series en AC 30 series.
AC 40 profielen
Profielen
AC 40 afdekmaterialen
Afdekkappen
AC 40 bevestigingsmaterialen
Bevestigingsmateriaal
AC 40 verbindingen
Verbindingen
AC 40 voeten/wielen
Voeten
AC 40 scharnieren
Scharnieren
AC 40 afscherming toebehoren
Toebehoren
AC 40 deurbeslag
AC 40 deurbeslag
AC 40 accessoires
AC 40 accessoires