Alle producten
Products
AC 30 aluminium profielsysteem
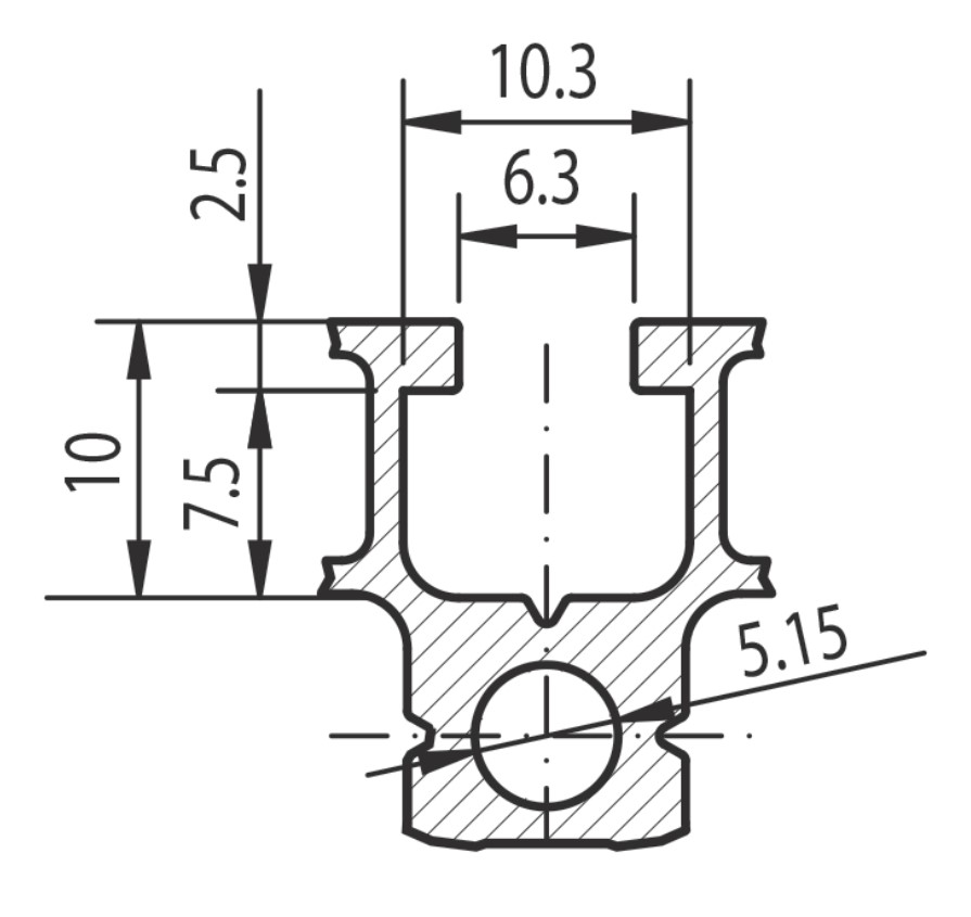
De 30 series hebben standaard 6 mm profielsleuven, een kern van 5,15 mm voor M6 roltappen en omvat profielen van 13x22,5 mm tot 60x60 mm. De 30 series zijn geschikt voor lichte toepassingen. Van bijna ieder profiel en component is een datasheet en step-file beschikbaar. Veel voorkomende toepassingen met 30 AC aluminium profielsystemen zijn compacte frames, kleine afschermingen, productgrijpers, productdragers, rekken etc. De toepassingen met aluminium profielsystemen zijn uiteenlopend en worden niet enkel in industriële omgevingen gebruikt. Naast de AC 30 series hebben wij ook een AC 45 series en AC 40 series voor zwaardere en grotere toepassingen.
AC 30 profielen
Profiel
AC 30 afdekmaterialen
Afdekmaterialen
AC 30 bevestigingsmaterialen
Bevestigingsmateriaal
AC 30 verbindingen
Profielverbinders
AC 30 voeten/wielen
Voeten
AC 30 scharnieren
Scharnieren
AC 30 afscherming toebehoren
Toebehoren
AC 30 accessoires
Diverse
AC 30 deurbeslag
Deurbeslag